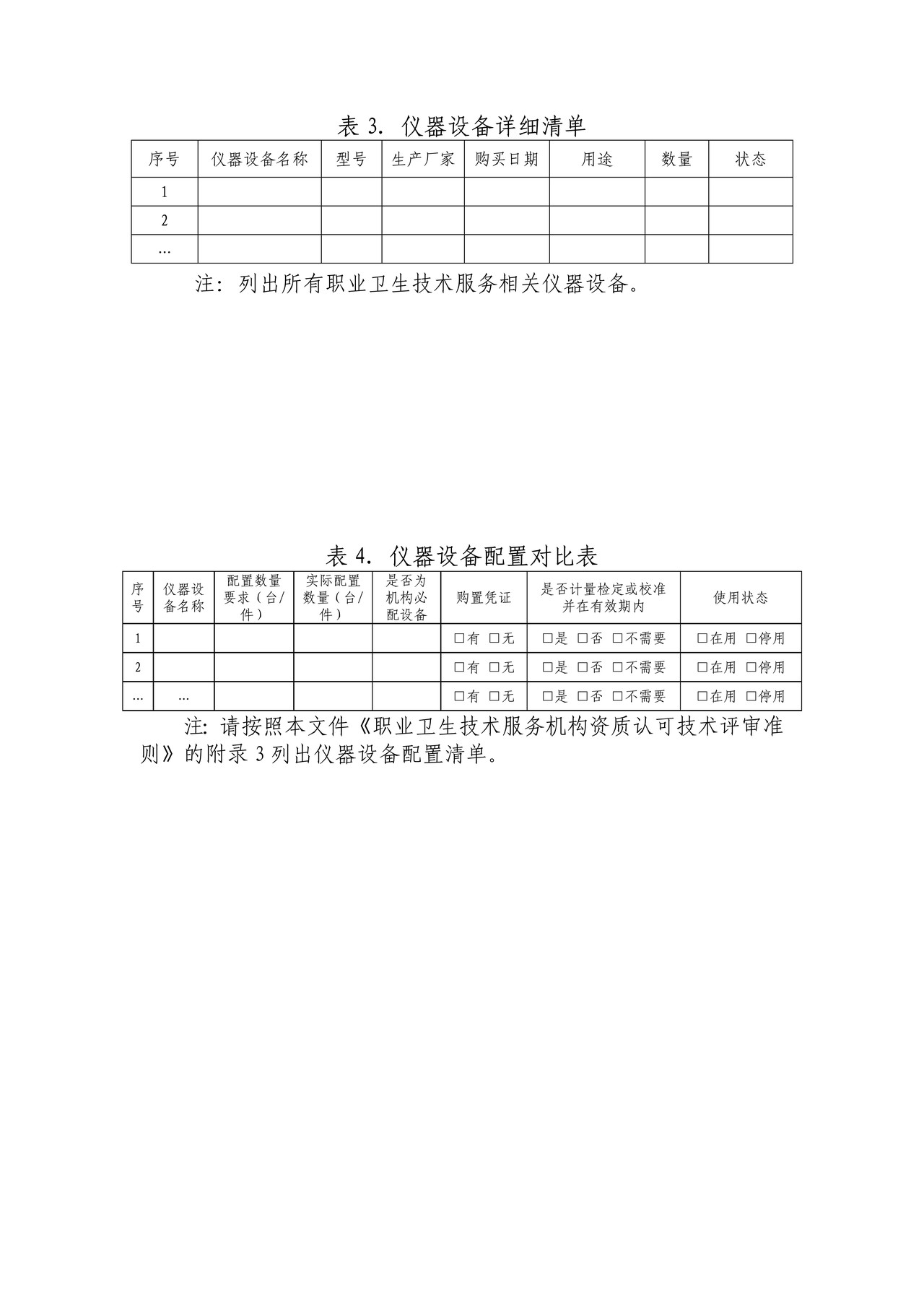
仪器设备清单等(职业卫生技术服务机构资质变更)

2023-07-25
2023-07-25
上传时间:2023-07-25
文件类型:财税表单
文件格式:WORD
下载数量:600
文件来源:安徽政务服务网
文件页数:--




关注公众号
皖公网安备 34011102003330号